血吸虫病(schistosomiasis)是由血吸虫寄生于人体引起的地方性寄生虫病。寄生于人体的血吸虫主要有三种:即流行于非洲北部的埃及血吸虫(Schistosoma haematobium);流行于拉丁美洲及非洲中部的曼氏血吸虫(Schistosoma mansoni)以及流行于亚洲的日本血吸虫(Schistosoma japanicum)。在我国因只有日本血吸虫病流行,故通常将日本血吸虫病简称为血吸虫病。
根据1972年在湖南长沙马王堆一号墓出土的西汉女尸及1975年在湖北江陵出土的西汉男尸内皆发现有大量典型血吸虫卵的事实,证明在2100多年前我国已有血吸虫病的流行。本病在我国主要流行于长江流域及其以南的十三个省市的广大水稻作物地区,尤以江苏、浙江、安徽、湖北、湖南、江西等省及上海市效较为严重。过去本病流行猖獗,对广大劳动人民的健康危害极大。新中国成立后,积极发展了防治工作,广东、广西、福建、江苏和上海等五个省市和全国270多个县已基本消灭了血吸虫病。
【病因及感染途径】
日本血吸虫的生活史可分为虫卵、毛蚴、胞蚴、尾蚴、童虫及成虫等阶段。成虫以人体或其他哺乳动物如狗、猫、猪、牛及马等为终宿主,自毛蚴至尾蚴的发育繁殖阶段以钉螺为中间宿主。
血吸虫虫卵随同病人或病畜的粪便排入水中,卵内的毛蚴成熟孵化,破壳而出,以后钻入钉螺体内,经过母胞蚴及子胞蚴阶段后,大量尾蚴发育成熟,并游动于水中。当人畜与疫水接触时,尾蚴借其头腺分泌的溶组织酶作用和其肌肉收缩的机械运动,很快钻入皮肤(或粘膜)并脱去尾部变为童虫。童虫经小静脉或淋巴管进入血液循环,再经右心而到达肺。以后由肺的毛细血管经肺静脉而入大循环向全身散布。只有进入肠系膜静脉的童虫,才能继续发育为成虫,其余多在途中夭折。通常在感染尾蚴后3周左右即可发育为成虫,雌雄成虫交配后即可产卵。虫卵随门静脉血流顺流到肝,或逆流入肠壁而沉着在组织内,约经11天左右逐渐发育为成熟虫卵,内含毛蚴。肠壁内的虫卵可破坏肠粘膜而进入肠腔,并随粪便排出体外,再重演生活周期。虫卵在组织内的寿命约为21天左右。雌雄合抱的成虫在人体内的寿命一般为3~4年。
【病变和发病机制】
血吸虫发育阶段中的尾蚴、童虫及成虫、虫卵等均可引起病变,但以虫卵引起的病变最严重,危害也最大。
1.尾蚴及童虫引起的病变
(1)尾蚴性皮炎:尾蚴侵入皮肤后,可引起皮肤的炎症反应,称为尾蚴性皮炎(cercarial dermatitis)。多发生于重复感染的患者,一般在尾蚴钻入皮肤后数小时至2~3日内发生,表现为红色小丘疹,奇痒,经数日后可自然消退。镜下见真皮充血、出血及水肿,起初有中性及嗜酸性粒细胞浸润,以后主要为密集的单核细胞浸润。
目前认为本病的发病机制主要与迟发性变态反应有关。动物实验证明,转移感染小鼠的淋巴细胞给正常小鼠,再接种尾蚴,经1~2天,局部童虫周围有单核细胞浸润。在反应早期可能有抗体介导的免疫反应参与。
(2)肺部病变:童虫移行到肺时,部分可穿破肺泡壁毛细血管,游出到肺组织中,引起点状出血及白细胞浸润(约在感染后1~2天)并可有血管炎改变,但病变一般轻微而短暂。
童虫经大循环移行到其他器官时也可引起与肺类似的改变。
童虫所引起的各器官点状出血除与童虫的机械作用有关外,还与其代谢产物或虫体死亡后蛋白分解产物所致人体组织的变态反应有关。
宿主感染血吸虫后得到获得性免疫,对再感染产生不同程度的抵抗力。其机制为抗体依赖、细胞介导的细胞毒反应,由IgE或IgG2a抗体,巨噬细胞、嗜酸性粒细胞等参与。主要作用于表面有抗原表达的幼龄童虫,嗜酸性粒细胞有IgG和IgE的Fc受体,当抗体包被童虫后其Fc段与Fc受体结合,并使嗜酸性粒细胞粘附在童虫表面且脱颗粒,释出细胞毒性物质,而起杀伤作用。巨噬细胞也是非常重要的效应细胞。
2.成虫引起的病变血吸虫在门静脉系统内发育成熟后,其代谢产物可使机体发生贫血、嗜酸性粒细胞增多、脾肿大、静脉内膜炎及静脉周围炎等。在肝、脾的单核吞噬细胞系统的细胞内,常见有黑褐色血吸虫色素沉着,是成虫吞食红细胞后,在虫体内珠蛋白酶作用下,使血红蛋白分解而形成的一种血红素样色素,同样的色素也见于成虫的肠道内。活的成虫本身在静脉内不引起宿主反应,其解释是成虫的表膜内含有宿主的抗原,被宿主认为是“自我”组织而逃避了免疫攻击。成虫死亡后,多在肝内分解,产生毒性,可引起明显的静脉炎和静脉周围炎。死亡虫体周围组织坏死,大量嗜酸性粒细胞浸润,形成嗜酸性脓肿,与血丝虫成虫死亡后引起的变化相似。
3.虫卵引起的变化虫卵沉着所引起的损害是最主要的病变,虫卵除主要沉着于乙状结肠和直肠壁以及肝外,也常见于回肠末段、阑尾及升结肠等处。肺、脑等其他器官有时也可见到。未成熟的虫卵所引起的病变轻微;含毛蚴的成熟虫卵往往引起虫卵结节形成。按其病变发展过程可分为急性虫卵结节和慢性虫卵结节两种。
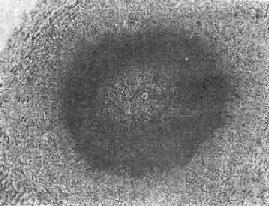
(1)急性虫卵结节:肉眼观为灰黄色、粟粒至绿豆大(0.5~4mm)的小结节。镜下见结节中央常有1~2个成熟虫卵,也偶可多达20个以上。这些成熟虫卵的卵壳上附有放射状嗜酸性的棒状体,也称为Hoeppli现象,用免疫荧光法已证实为抗原抗体复合物。虫卵周围是一片无结构的颗粒状坏死物质及大量嗜酸性粒细胞浸润。因其病变类似脓肿,故也称为嗜酸性脓肿(图19-5)。在坏死组织中可混杂多数菱形或多面形屈光性蛋白质晶体,即Charcot-Leyden结晶,系嗜酸性粒细胞的嗜酸性颗粒互相融合而成。随后虫卵周围产生肉芽组织层,其中有以嗜酸性粒细胞为主的炎症细胞浸润,还有单核巨噬细胞、淋巴细胞、浆细胞及少量中性粒细胞。随着病程的发展,肉芽组织层逐渐向虫卵结节中央生长,并出现围绕结节呈放射状排列的类上皮细胞层。类上皮细胞层逐渐加宽,嗜酸性粒细胞显著减少,构成晚期急性虫卵结节(图19-6),这是向慢性虫卵结节发展的过渡阶段。

图19-5 肝血吸虫病之急性虫卵结节
结节中心有一成熟虫卵,卵壳表面可见放射状物质,周围广泛坏死伴大量嗜酸性粒细胞浸润

图19-6 血吸虫病之晚期急性虫卵结节
坏死区及嗜酸性粒细胞浸润范围缩小,其周围出现放射状排列的类上皮细胞层
(2)慢性虫卵结节:急性虫卵结节经10余天后,虫卵内毛蚴死亡,坏死物质逐渐被吸收,虫卵破裂或钙化,其周围除类上皮细胞外,出现异物巨细胞和淋巴细胞,形态上似结核结节,故称为假结核结节(图19-7)。少数虫卵结节一开始即为假结核结节,而不经过急性虫卵结节阶段。最后,假结核结节中的类上皮细胞为纤维母细胞代替,并产生胶原纤维,使结节纤维化。其中央的卵壳碎片及钙化的死卵可长期存留。

图19-7 血吸虫病之慢性虫卵结节
结节中央有破裂和钙化的虫卵,其周围有类上皮细胞和异物巨细胞,形成假结核结节
目前认为虫卵结节的形成主要是由T细胞介导的迟发性变态反应的结果。诱发虫卵结节的抗原来自成熟虫卵中毛蚴所分泌的可溶性卵抗原(soluble egg antigen,SEA),是一种含蛋白质、糖蛋白、多糖和酶的异质性混合物,其糖蛋白中的某些成分,如MSA,gp-2是引起虫卵肉芽肿的主要抗原。活毛蚴分泌的抗原,透过卵壳上的微孔,持续稳定地释出,使机体致敏。经巨噬细胞吞噬、加工的抗原,传递给辅助性T细胞(TH),致敏的TH产生多种淋巴因子,如巨噬细胞激活因子(MAF)、嗜酸性粒细胞趋化因子(ECF)等,引起巨噬细胞和嗜酸性粒细胞等聚集于虫卵周围而形成虫卵肉芽肿。实验证明淋巴细胞或抗巨噬细胞的血清、细胞免疫抑制药物等均能抑制致敏小鼠虫卵肉芽肿的形成。新生期摘除胸腺的小鼠和先天性无胸腺裸鼠体内形成的虫卵肉芽肿均较对照组小。致敏小鼠和感染小鼠的淋巴细胞可将致敏被动地转移给受体小鼠,这些都说明T细胞在虫卵肉芽形成过程中起重要作用。除细胞免疫外,在急性虫卵结节形成过程中,毛蚴分泌的SEA刺激宿主产生抗体,在虫卵周围形成免疫复合物,Ⅲ型变态反应亦可能参与虫卵结节的形成。
这种肉芽肿的形成是宿主对虫卵的一种免疫应答,使虫卵变性、破坏、被吞噬和清除,还可以隔离和中和虫卵释放的抗原及毒性物质,起局部免疫屏障作用。另一方面,在早期肉芽肿内即可测出纤维连结蛋白(FN),体外培养的肉芽肿能分泌纤维母细胞生长因子(FGF),说明虫卵结节能破坏宿主正常组织并导致器官纤维化。
【主要器官的病变及其后果】
1.结肠病变常累及全部结肠,以乙状结肠最为显著。这是因为日本血吸虫成虫多寄生于肠系膜下静脉和痔上静脉的缘故。
早期肉眼观,肠粘膜红肿,呈急性卡他性炎,隐约可见褐色或灰黄色细颗粒状扁平隆起的病灶(虫卵堆积所致),直径约0.5~1cm左右。病灶中央可发生坏死脱落形成浅表溃疡,其边缘常有充血。虫卵可随坏死组织脱落入肠腔,在粪便中可查见虫卵。镜下,见粘膜及粘膜下层有成堆虫卵堆积,形成急性虫卵结节,尤以粘膜下层为明显。溃疡一般较小且表浅,深达粘膜肌层或粘膜下层,如邻近的小溃疡互相融合,可形成较大溃疡。在肠病变的早期,临床可出现腹痛、腹泻等痢疾样症状。
随着病变的发展形成假结核结节,最后发生纤维化,虫卵也逐渐死亡及钙化。由于虫卵的反复沉着,引起肠粘膜反复发生溃疡和肠壁纤维化,最终导致肠壁增厚变硬,甚至肠腔狭窄和肠梗阻。肠粘膜粗糙不平,萎缩,皱襞消失,除见小溃疡外,还可见多发性小息肉(图19-8)。由于肠壁结缔组织增生,使以后到达肠壁的虫卵难于排入肠腔,故晚期患者粪便中不易查见虫卵,一般需做直肠粘膜压片、活检或皮内试验等来确诊本病。

图19-8 慢性血吸虫病的结肠
肠壁增厚,粘膜粗糙不平,多处粘膜呈息肉样增生
肠慢性血吸虫病可并发结肠癌,这类结肠癌的特点是:①发病年龄较轻,平均年龄约比一般结肠癌小8岁;②发生癌变部位和肠道血吸虫病一致,多见于乙状结肠及直肠,该肠段常有严重慢性血吸虫病的改变;③在慢性血吸虫病肠粘膜增生性息肉的基础上有逐渐演变为癌的过渡形态,偶尔可见数个息肉同时发生癌变。
2.肝肉眼观,早期可有轻度肝肿大,表面及切面可见多个不等的灰白或灰黄色、粟粒或绿豆大小的小结节(图19-9)。镜下,见急性虫卵结节,主要分布在汇管区附近,肝细胞可因而受压萎缩,门静脉分支可有静脉内膜炎改变。也可有变性及小灶性坏死。Kupffer细胞内可见黑褐色血吸虫色素沉着。

图19-9 肝急性血吸虫病
肝表面及切面上可见多数灰白色急性虫卵结节
慢性病例肝内可见慢性虫卵结节和纤维化。在长期重度感染的病例,肝因严重纤维化而变硬、变小,导致血吸虫性肝硬变。肝表面不平,有浅沟纹构成微隆起的分区,严重者可形成粗大突起的结节(图19-10)。切面上,增生的结缔组织沿门静脉分支呈树枝状分布,故称为干线型或管道型肝硬变(pipe stem cirrhosis)(图19-11)。较大门静脉分支管壁增厚,并可有血栓形成(血栓性静脉炎)。由于虫卵结节主要见于汇管区,肝小叶并未遭受严重破坏,故不形成假小叶,与门脉性肝硬变不同。由于门静脉分支虫卵栓塞、静脉内膜炎、血栓形成和机化,以及门静脉周围纤维组织增生,使肝内门静脉分支阻塞和受压,从而造成门静脉高压。因肝内门静脉的阻塞是窦前性的,故门静脉高压较门脉性肝硬变时更为显著,临床上常出现腹水、巨脾、食管静脉曲张等后果。

图19-10 血吸虫病性肝硬变
肝表面呈粗大结节状

图19-11 血吸虫病性肝硬变
肝切面见沿门静脉分支有大量的纤维组织增生
3.脾早期肿大不明显,主要由于成虫的代谢产物引起的单核巨噬细胞增生所致。晚期主要由门静脉高压引起的脾淤血所致,此时可形成巨脾,重量可达1000g,甚至可达4000g。肉眼观,脾质地坚韧,包膜增厚。切面呈暗红色,脾小梁清楚,脾小体多不明显,常见棕黄色的含铁小结,有时还可见多数梗死灶。镜下,脾窦扩张充血,窦内皮细胞及网状细胞增生,窦壁纤维组织增生而变宽。脾小体萎缩减少,单核巨噬细胞内可见血吸虫色素沉着。陈旧出血灶伴有铁质及钙盐沉着和纤维组织增生,形成含铁小结(siderotic nodule)。脾内偶见虫卵结节。临床上可出现贫血、白细胞减少和血小板减少等脾功能亢进症状。
4.肺在部分急性病例,肺内可出现多数急性虫卵结节,其周围肺泡出现炎性渗出物,X线照片类似肺的粟粒性结核。通常肺的变化甚轻微,一般不导致严重后果。关于肺内虫卵的来源,近年来认为并非成虫寄生在肺内产卵,而主要是通过门-腔静脉之间的交通枝而来。在肝内门静脉分支严重阻塞并发门静脉高压的患者,更易发生门-腔静脉交通枝的开放。
5.其他器官脑的血吸虫病主要见于大脑顶叶,也可累及额叶及枕叶,表现为不同时期的虫卵结节形成和胶质细胞增生。临床上出现脑炎、癫痫发作和疑似脑内肿瘤的占位性症状。关于虫卵进入脑的途径,最大可能是肺部虫卵经肺静脉到左心,而后由动脉血流带入脑内。近年来发现由血吸虫感染引起的血吸虫病肾小球肾炎,肾小球内发现有IgG及补体C3的沉着,故属于Ⅲ型变态反应引起的免疫复合物肾炎。在严重感染的病例中,胰腺、胆囊、心、肾、膀胱及子宫等器官内也可见虫卵沉积,但数量少,组织反应一般不甚明显。