子宫颈原位癌(carcinoma in situ)癌细胞局限于上皮全层内、尚未穿破上皮基底膜侵入下方固有膜。子宫颈原位癌的异型细胞比不典型增生者更具显着的多形性。镜下,上皮层完全为癌细胞所取代,细胞大小、形状不一,呈圆形、卵圆形、梭形,偶见巨核、多核,排列紊乱,层次不清,极向消失。核大浓染、大小及形状不一、染色质增粗,核分裂像常见,并有病理性核分裂像。胞浆相对减少,核浆比值增大(图13-3)。原位癌癌细胞可由表面沿基底膜伸入腺体内,致整个腺管或其一部分为癌细胞所取代,但腺管轮廓尚存,腺体基底膜完整,癌细胞未浸润到固有膜。这种变化称原位癌累及腺体。原位癌累及腺体并不一定发展为浸润癌。部分子宫颈原位癌可长期不发生浸润,个别病例甚至可自行消退。但由于原位癌特别是原位癌累及腺体具有发展为浸润癌的倾向,故一旦发现,应及时给予适当治疗。

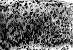
图13-3 子宫颈原位癌
癌变限于上皮层内,细胞核肥大、深染,大小不一,形态不规则,核仁明显,核分裂像易见,且见巨细胞(右侧上方),这种细胞间变累及上皮全层,但基底膜完整,癌细胞未浸润到基底膜下间质
由于重度不典型增生和原位癌没有明显界限,有学者将不同程度的不典型增生和原位癌统称为宫颈上皮内新生物(cervical intraepithelial neoplasm,CIN)。Ⅰ级(轻度)不典型增生为CINⅠ。Ⅱ级(中度)不典型增生为CINⅡ。Ⅲ级(重度)不典型增生及原位癌为CINⅢ。他们认为这些病变是有连续关系的,只是在程度上不同而已。这一组病变是处于正常鳞状上皮和浸润癌之间的变化阶段。上皮的不典型增生-原位癌-浸润癌是一个逐渐连续发展的过程。但并非所有子宫颈浸润癌的形成均必须通过这一过程,也不是所有的上皮不典型增生均必然发展为子宫颈癌。癌前病变具有进展性和可逆性,决定于病变的范围及程度。